Philips HID-Hochspannung BSN 1000 L78 230/240V 50Hz HP-257
- Kostenloser Versand ab 150 € inkl. SteuernKostenloser Versand ab 125 € exkl. Steuern
- Geschäftskunde? Kauf auf Rechnung
- Einfache Rücksendung innerhalb 14 Tagen
Technische Daten
|
i
Bitte beachten Sie: Es handelt sich hierbei NICHT um die Liefermenge! Die “Menge in der Originalverpackung” bezieht sich auf die Anzahl an Produkten, die vom Hersteller zusammen vorverpackt wurden. Wenn Sie diese Menge an Produkten bestellen, liefern wir Sie Ihnen in der Originalverpackung des Herstellers.
|
Originalverpackung | 1 |
|---|
| Artikelnummer | 180335 | |
|---|---|---|
| EAN | 8711500996640 | |
| Marke | Philips | |
| Herstellername | BSN 1000 L78-A2 230/240V 50Hz HP-257. | |
|
i
Unsere All-In-Garantie ist im Preis des Produktes enthalten. Sie tritt bei versteckten Mängeln oder technischen Defekten in Kraft, die vor der Lieferung eingetreten sind. Je nach Produkt beträgt die Garantiezeit zwischen 1 und 7 Jahre.
|
Beleuchtungdirekt All-in Garantie | 1 Jahr |
|
i
Die “Technologie” einer Lampe bezeichnet die Art und Weise, wie sie Licht erzeugt. Die effizienteste und populärste Methode ist dabei LED: Andere Technologien nutzen zum Beispiel Halogenlampen, Gasentladungslampen, TL-Röhren (Leuchtstoffröhren) und die klassische Glühbirne.
|
Technologie | Zubehör |
|---|---|---|
| Geeignet für | HPI, HPL, MH, SON | |
| EVG für den Lampentyp | HPI, HPL, MH, SON | |
| Maximale Wattanzahl | 1000 | |
|
i
Dimmbare Lampen funktionieren in Kombination mit einem Dimmschalter und ermöglichen Ihnen die gewünschte Leuchtstärke zu bestimmen. Die Dimmfunktion bietet zusätzliche Energiesparpotenziale, da weniger Strom benötigt wird, wenn die Lampe weniger stark leuchtet.
|
Dimmbar | Nicht dimmbar |
| Anzahl benötigter Lampen | 1 | |
|
i
Beleuchtung mit Sensor schaltet sich nur ein, wenn ein bestimmtes Signal empfangen wird. Dies senkt die Energiekosten. Die (integrierten) Sensoren reagieren auf Dunkelheit (Dämmerungsschalter) und/oder Bewegung (Bewegungsmelder).
|
Sensortyp | Kein Sensor |
| Produkttyp | Zubehör - Vorschaltgerät HID |
| EOC8 | 6236900 | |
|---|---|---|
| Produktserie | BSN 100 |
Beschreibung Philips HID-Hochspannung BSN 1000 L78 230/240V 50Hz HP-257
Der beste Preis für Philips HID-HighPower BSN 1000 L78 230/240V 50Hz HP-257! Verwenden Sie Philips Qualität und genießen Sie erhebliche Rabatte bei großen Bestellmengen! Schneller und zuverlässiger Versand. Haben Sie Fragen? Zögern Sie nicht, uns zu kontaktieren.
Spezifikationen des Philips HID-HighPower BSN 1000 L78 230/240V 50Hz HP-257
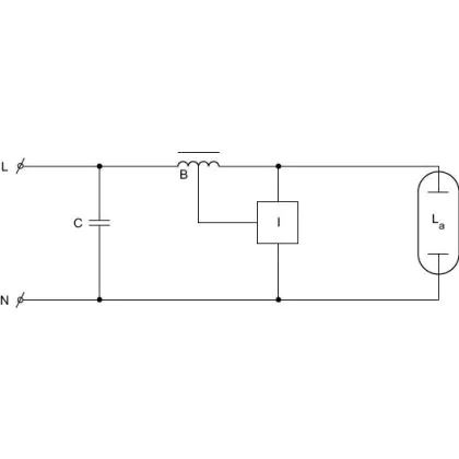
Das Philips HID-HighPower MH, HPI, HPL, SON ist ideal für die Mastmontage. Es hat eine ausgezeichnete Beständigkeit gegenüber Chemikalien, feuchten Bedingungen und gegen Bruch unter Umgebungsdruck.
Mit dem Philips HID-HighPower BSN 1000 L78 230/240V 50Hz HP-257 können Sie 1 Lampe verbinden. Sie können Lampen mit 1000W mit einem Vorschaltgerät verbinden.
Anwendung des Philips HID-HighPower BSN 1000 L78 230/240V 50Hz HP-257
Die Philips HID-HighPower BSN 1000 L78 230/240V 50Hz HP-257 können an vielen verschiedenen Orten zur Außenbeleuchtung verwendet werden. Hauptsächlich werden sie zur Straßen- und Tunnelbeleuchtung genutzt